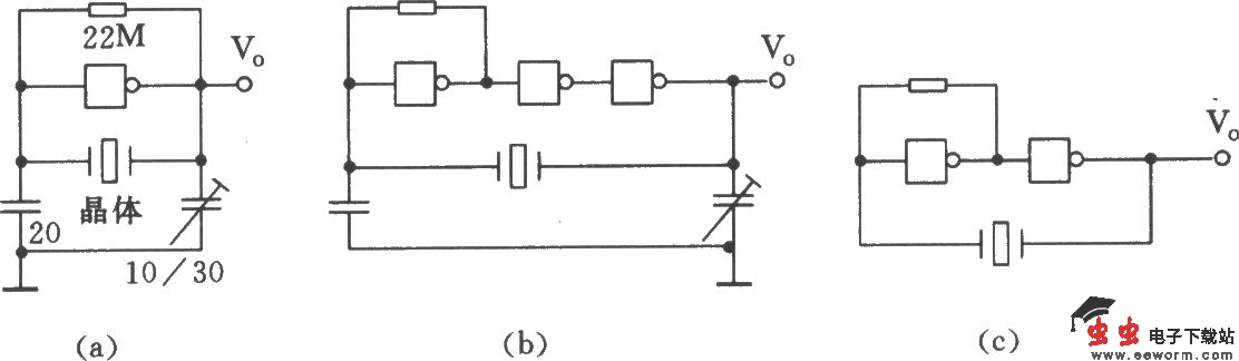
用与非门构成的晶体振荡器

📅 发布时间:2013-10-05 07:25 👁️ 浏览:0 🏷️ 标签: 与非门 晶体振荡器

用与非门构成的晶体振荡器

如图是用与非门构成的晶体振荡器。该振荡器的精度比较高,约在10-5 ,一般将基准振荡信号作为时间基准来使用。由于受晶体体积的限制,晶体振荡器产生的脉冲频率都比较高,通常是几百千赫到几兆赫,要想得到频率较低的标准脉冲,可以用脉冲分频器。

觉得这篇文章有帮助吗?