方波和三角波振荡器(5532)

📅 发布时间:2013-10-05 07:05 👁️ 浏览:0 🏷️ 标签: 5532 方波 三角波 振荡器

方波和三角波振荡器(5532)

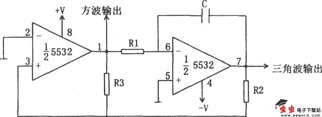
如图所示为方波和三角波振荡电路。该电路利用运放产生高精度的方波和三角波,输出频率由电阻R1、R2和R3以及电容C确定,其计算公式为:

方波和三角波振荡器(5532)

电路所需的正负电源电压可达22V。虽然输出波形幅度不对称,但方波输出仍可保持50%的占空比。

觉得这篇文章有帮助吗?