用TTL的非门构成的环形振荡器

📅 发布时间:2013-10-05 06:40 👁️ 浏览:3 🏷️ 标签: TTL 非门 环形振荡器

用TTL的非门构成的环形振荡器

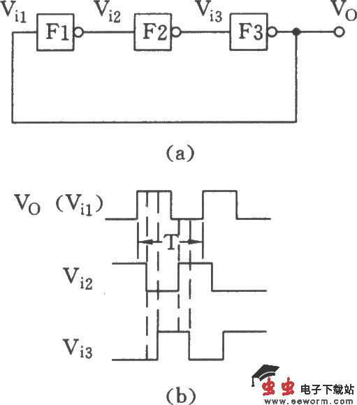
如图是用TTL的非门构成的环形振荡器。三个非门接成闭环形。假定三个门的平均传输延迟时间都是t,则从Fl输入到F3输出共经过3t的延迟,Vo输出就是Vi1的输入,所以输出端的振荡周期T=6t。该电路简单,但t数值一般是几十毫微秒,所以振荡频率极高,最高可达8MHz。

觉得这篇文章有帮助吗?