
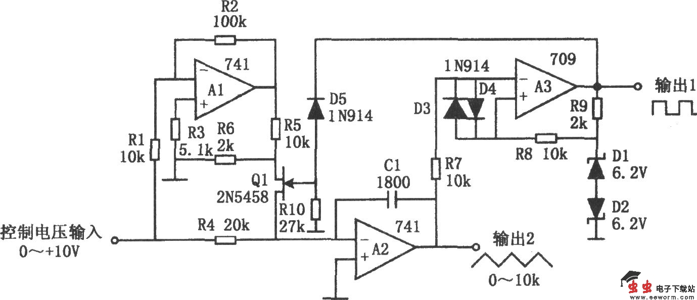
如图所示为具有三角波和方波输出的压控振荡电路。该电路是一个受控制电压控制的振荡器。它具有很好的稳定性和极好的线性,并且有较宽的频率范围。电路有两个输出端,一个是方波输出端,另一个为三角波输出端。图中,A1为倒相器,A2为积分器,A3为比较器。场效应管Q1用来变换积分方向。比较器的基准电压是由稳压二极管D1、D2提供,积分器的输出和基准电压进行比较产生方波输出。电阻R5、R6用来降低Q1的漏极电压,以保证大输入信号时Q1能完全截止。电阻R7、R8和二极管D3、D4是为了防止A3发生阻塞。按图中所标元件数值,电源电压用 15V,则变换系数为1kHz/V。电路在100:1频率范围内具有低于±0.5%的线性误差。