快速同步压控振荡器

📅 发布时间:2013-10-04 14:20 👁️ 浏览:1 🏷️ 标签: 压控振荡器

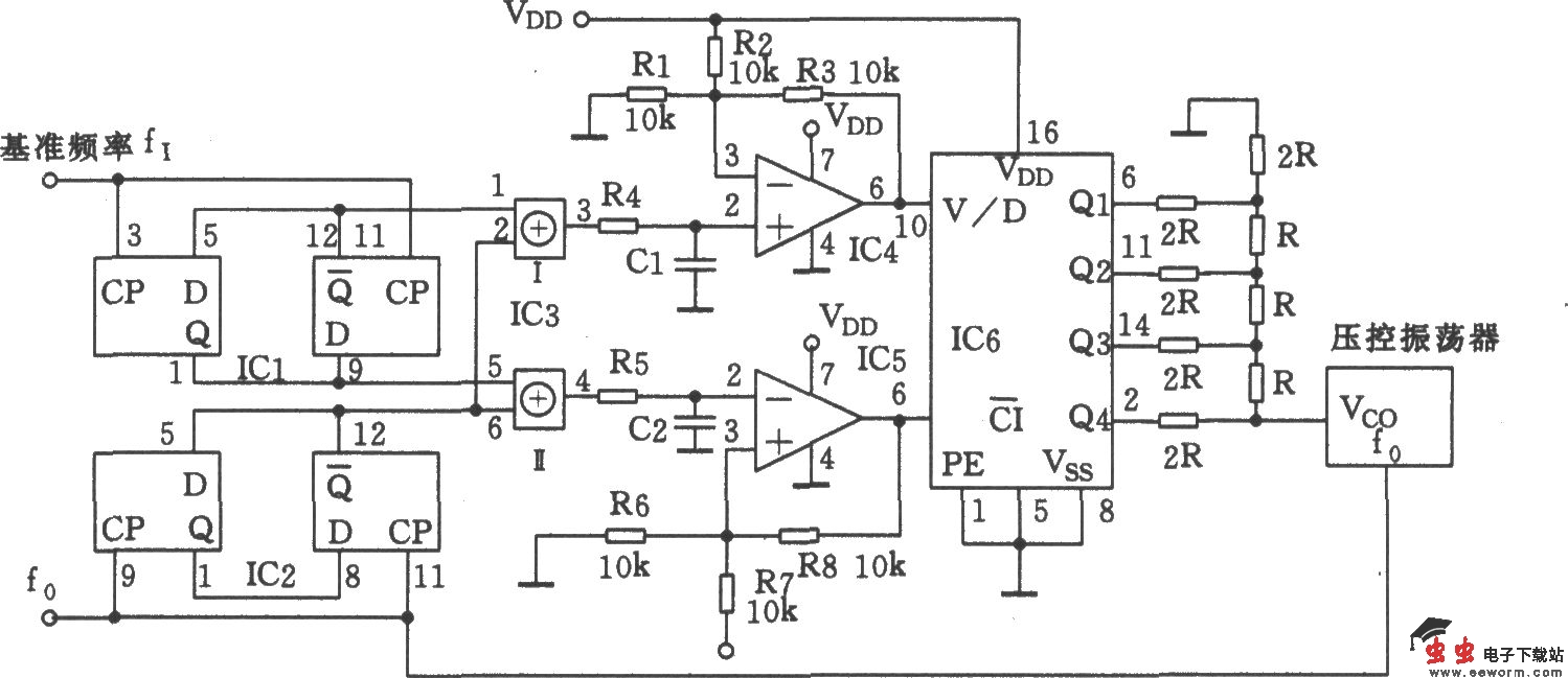
快速同步压控振荡器

本电路的主要作用是把分相器和数/模转换器结合起来,可使高稳定度的压控振荡器与外部的基准频率精确地同步。

觉得这篇文章有帮助吗?