CMOS门压控振荡器

📅 发布时间:2013-10-04 13:55 👁️ 浏览:0 🏷️ 标签: CMOS 压控振荡器

CMOS门压控振荡器

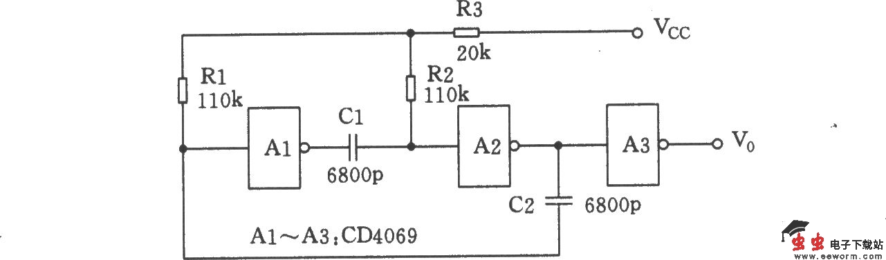
如图所示电路中A1、A2两个非门组成自激多谐振荡器,随着外加控制电压Vcc的大小不同,电路振荡频率亦随之变化。Vcc值在门电路阈值附近时对RC充放电影响最小,故电路振荡频率最低,Vcc偏离门电路阈值越大,电容充放电越快,故电路振荡频率越耐。

觉得这篇文章有帮助吗?