用CD4046组成的高精度频率合成器

📅 发布时间:2013-10-04 13:30 👁️ 浏览:2 🏷️ 标签: 4046 CD 高精度 频率合成器

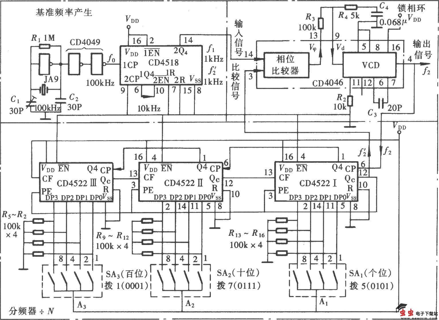
如图所示的频率合成器是一个实用型频率合成器,它采用高稳定度的石英晶体振荡器,产生一个l00kHz的矩形脉冲,通过分频器将其分成lkHz,作为频率合成器的基准频率。该频率合成器通过预置开关的预置,可输出1~999kHz之间,间隔为lkHz的999种标准频率,有很高的实用价值。

用CD4046组成的高精度频率合成器 

觉得这篇文章有帮助吗?