用CD4046组成的频率合成器

📅 发布时间:2013-10-04 12:35 👁️ 浏览:0 🏷️ 标签: 4046 CD 频率合成器

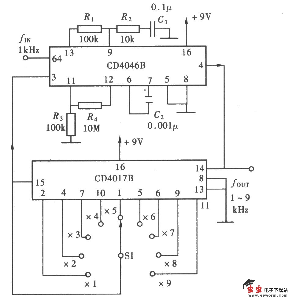
所谓频率合成是指,将任一给定的基准频率^变换成一系列新的频率fo1、fo.....fon。这些新产生的频率具有与原基准频率相当的稳定度。如果在CD4046的③、④脚间插入一个分频系数固定的分频器,就可组成一个具有固定倍数的倍频器。如果插入一个分频系数可调的多级分频器,就可组成一个多级可调式倍频器。它就是“频率合成器”。如图所示为用CD4017作分频器的频率合成器。

用CD4046组成的频率合成器

觉得这篇文章有帮助吗?