输出波形对称的奇次分频计数器(μL9020)

📅 发布时间:2013-10-04 12:10 👁️ 浏览:0 🏷️ 标签: L9020 输出波形 对称 分频计数器

输出波形对称的奇次分频计数器(μL9020)

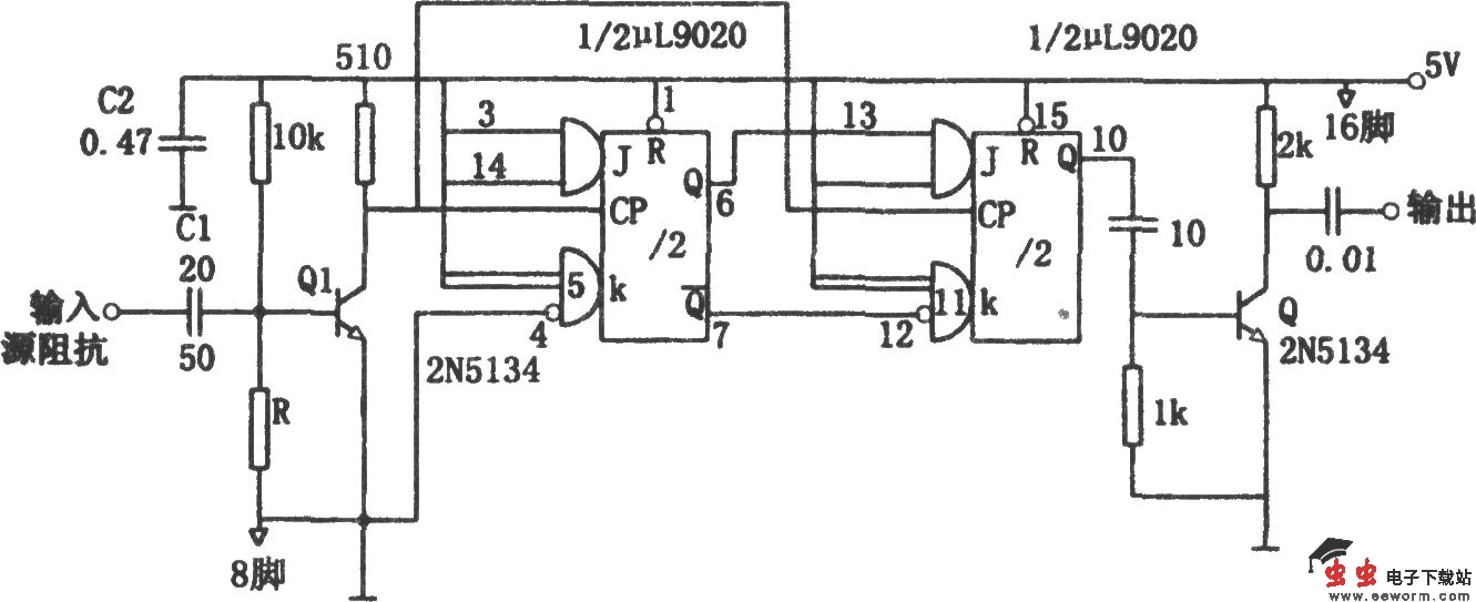
如图所示分频电路对于正弦波、方波还是正脉冲,只要峰值达到0.5~5V之间,即可被触发。电路的工作频率可达40MHz。分频器的输入信号经限幅放大器Q1驱动J—K触发器,最后通过缓冲器Q2输出。晶体管Q1是为了对第一级分频提供适当的触发电平。在高电平驱动时,电容C1可以起到限流作用。如果驱动电平较低,则可以增加C1的容量,以增加触发能力。输出级Q2可以防止分频器受电容性负载的影响。

觉得这篇文章有帮助吗?