用CD4013组成的脉冲二倍频电路

📅 发布时间:2013-10-04 12:05 👁️ 浏览:0 🏷️ 标签: 4013 CD 脉冲 倍频电路

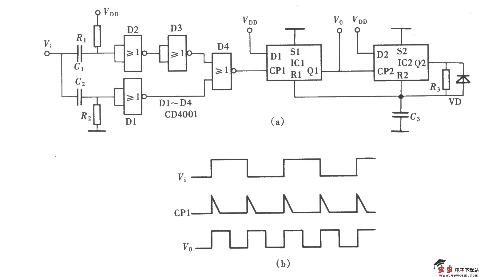
用一只CD4013和一只四一二输入端或非门CD4001,可以组成一个脉冲二倍频电路,其电路组成如图所示。

用CD4013组成的脉冲二倍频电路

觉得这篇文章有帮助吗?