
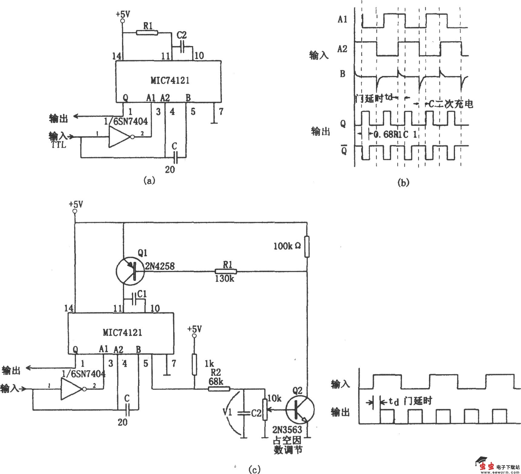
如图所示为具有方波输出的数字倍频电路。数字倍频器一般是利用输入脉冲的前、后沿产生两个窄脉冲输出来达到倍频。图(a)为基本倍频电路,A1、A2和B是单稳态多谐振荡器MIC74121的触发输入端。只有当A1和A2之一为“l”,另一为“0”且B为“l”时,电路才被触发。输入信号的上升沿经td(倒相器的传输延时)后,触发单稳态多谐振荡器,而对应于输入信号的下降沿电容C(20pF)迅速放电。当电容C再次充电达到“1”时,电路触发。因此,每个输入脉冲的前后沿都将产生一个输出脉冲,于是起到了倍频作用。输出脉冲宽度近似等于0.68R1C1。适当地选取R1和C1可使输出脉冲的占空比为50%。图(a)电路的缺点是,只能对应于某个固定的输入脉冲频率,才能保证占空比为50%。图(c)为改进电路。单稳态多谐振荡器的Q端输出经R2C2滤波产生直流电压V1。该电压正比于输入脉冲频率。用V1来控制MIC74121的定时电路,就可以达到输出脉冲占空比和输入脉冲无关。当输入脉冲频率增高时,V1增大,则Q2的集电极电流I1增大。随着I1增大,输出脉冲宽度减小,于是V1下降。如果采用高增益反馈回路,则输入频率变化范围可达1000:l,还能较好的保证输出脉冲占空比为50%。该电路最高工作频率选择在1/(800C1)以下为好。电容C2应大于1/(1000fmin),其中fmin是最低工作频率。图中10kΩ电位器可以调节输出脉冲的占空比。