
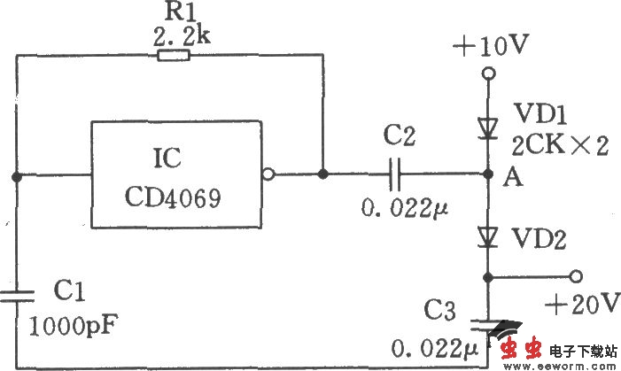
如图所示是用CMOS非门组成最简单的倍压电路。图中IC为反相器与Rl、Cl构成了一个约l00kHz的方波振荡器,振荡器的输出在0~10V之间不断变换,当输出为0V时,电容器C2通过VDl充电达到l0V,当振荡器的输出由0V突变为 10V时,由于电容两端电压不能突变,故电容器C2的A端应相应提升到 20V,这时VDl反偏,该电流通过VD2向C3充电,于是在输出端得到了 20V电压,但考虑到二极管有压降,所以实际输出略低于 20V。该倍压值提供的电流较小,使用时应注意。

如图所示是用CMOS非门组成最简单的倍压电路。图中IC为反相器与Rl、Cl构成了一个约l00kHz的方波振荡器,振荡器的输出在0~10V之间不断变换,当输出为0V时,电容器C2通过VDl充电达到l0V,当振荡器的输出由0V突变为 10V时,由于电容两端电压不能突变,故电容器C2的A端应相应提升到 20V,这时VDl反偏,该电流通过VD2向C3充电,于是在输出端得到了 20V电压,但考虑到二极管有压降,所以实际输出略低于 20V。该倍压值提供的电流较小,使用时应注意。