三相方波信号振荡器

📅 发布时间:2013-10-04 08:45 👁️ 浏览:2 🏷️ 标签: 三相 方波信号 振荡器

三相方波信号振荡器

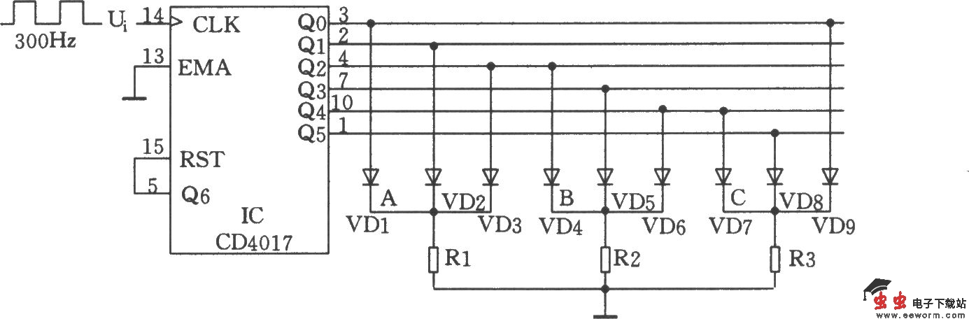
如图所示,由一块CD4017接成六进制计数器,其输入时钟为300Hz。VDl~VD9,R1~R3组成三个三输入或门,分别取出50Hz两相位相差120o 的三相方波信号。从A、B、C三点即可得到三相信号。

波形:

三相方波信号振荡器 

觉得这篇文章有帮助吗?