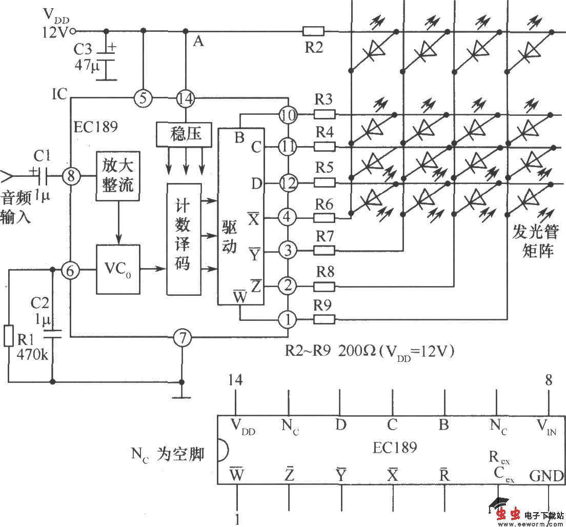
ECl89的内电路框图及典型应用电路

📅 发布时间:2013-09-30 23:30 👁️ 浏览:0 🏷️ 标签: ECl 89 电路 典型

ECl89的内电路框图及典型应用电路

工作原理图如图所示。它表示4×4点矩阵声光控制电路EC189的内电路框图及典型应用电路。内电路主要由放大/整流器、压控振荡器(VC0)、计数/译码器、驱动器和电源稳压器等组成。

觉得这篇文章有帮助吗?