
电磁式打点计时器的结构简单、价格低廉,是中学物理实验教学中应用最广的仪器之一。实验中产生的误差较大是电磁打点计时器的主要缺点。究其原因,首先是电磁打点计时器的振针,在打点的过程中会对记录纸带的运动产生阻碍作用,使纸带的运动速度变慢;其次是电磁打点计时器是由降压后的交流电驱动,其打点的时间间隔为交流电的一个周期,即0.02s。对于许多实验来说,这个时间间隔太短,因为一般取0.1S作计时单位。在实验中,需要将打点计时器的振针在记录纸带打的点称为记录点,而将从记录点中人为选择出来的、用于计时的点称为计数点。纸带上每5个记录点中仅有一个为计数点,即计数点的间隔为0.02s×5=0.1s。由此可见,多数记录点对实验并没有贡献,因此可减少不必要的记录点。
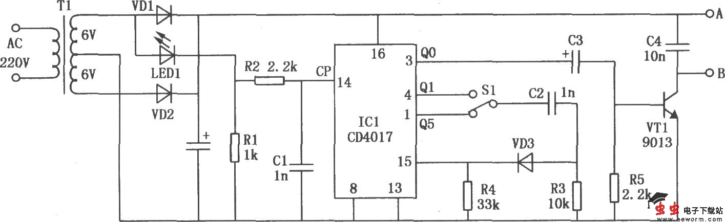
如图所示电路针对目前各中学大量使用的J0203-1型打点计时器,利用电子分频技术,设计了一个变频电源,使J0203-1型打点计时器的振针能以多种不同的周期打点计时。