
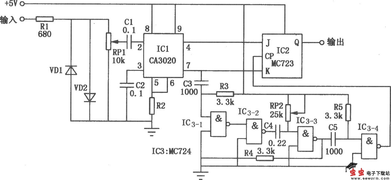
本电路主要元件采用数字集成电路,可运用于l~10kHz的频率范围,其鉴别精度较高,能检出小到1%的微小频移。频移解调器电路如图所示。ICl为宽频放大器CA3020,它构成电路的输入级,其差分输出加至IC2(JK触发器MC723)的J、K输入端。门电路IC3构成单稳态多谐振荡器,其定时周期等于中心频率的1/2周期。输入信号经单稳态多谐振荡器延时后选通触发器。例如,以2920Hz表示符号,2750Hz表示空格,那么它的中心频率为2835Hz,因此单稳态多谐振荡器的周期为175μs。当输入信号为2920Hz时,触发器选通端正好是J=1、K=0,故其Q端输出为“1”(表示符号);而当输入信号为2750Hz时,触发器选通端正好是J=0、K=1,故其Q端输出为“0”(表示空格)。电路的鉴别精度由单稳态多谐振荡器的定时精度所决定。