任意数脉冲选取电路之一(CD40193、LM324、CD4040)

📅 发布时间:2013-09-30 07:25 👁️ 浏览:0 🏷️ 标签: 40193 CD 4040 324

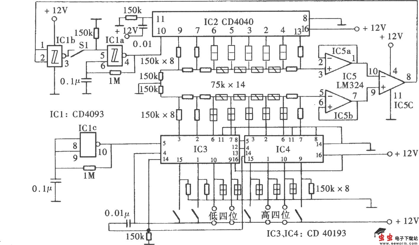
欲达到选取任意所预定的脉冲数,其中最关键的问题是:当达到预定的脉冲数后使脉冲计数器及时复位,使脉冲振荡器停振。下面一例电路通过电路结构的巧妙安排,使电路在输出所预定的脉冲数目后,振荡器立即停振。其电路组成如图所示。

任意数脉冲选取电路之一(CD40193、LM324、CD4040) 

觉得这篇文章有帮助吗?