基于RF2498的GPS接收机下变频器电路

📅 发布时间:2013-09-30 02:25 👁️ 浏览:0 🏷️ 标签: 2498 GPS RF 接收机

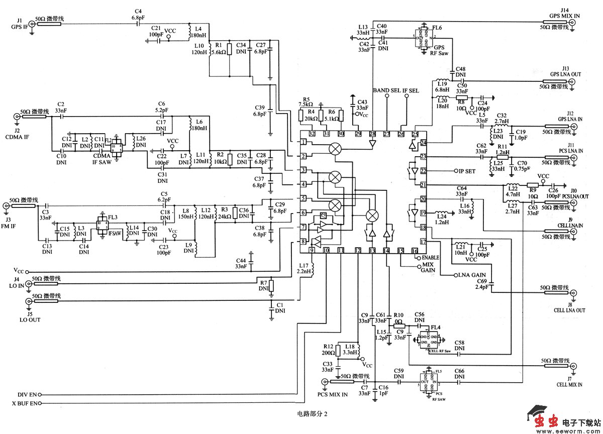
RF2498是一个高性能CDMA三频段/双模式集成LNA/混频器电路,是一个三频段LNA/下变频器。RF2498可以在CDMA/蜂窝/PCS/GPS手持设备、JCDMA/GSP手持设备、CDMA调制解调器/数据卡、商业和消费系统、使用电池的便携式设备中应用。 RF2498满足IS-98灵敏度、交互调制和单音调的要求。RF2498在PCS频带增益控制为29dB,在蜂窝频带增益控制为27.5dB。RF2498为一个GPS LNA/混频器应用提供37dB的增益。 RF2498为满足IS-98 IMD测试,采用3种状态的增益控制方式。RF2498有2分频的前置分频器允许使用单边带或双边带的VCO。芯片内有一个集成TX LO缓冲器。对于混频器和 LNA功能块的偏置电流可以通过芯片外的电阻设置。芯片采用LCC(1eadless chip cartier)一32封装,芯片尺寸为51MM×51MM

基于RF2498的GPS接收机下变频器电路 

觉得这篇文章有帮助吗?