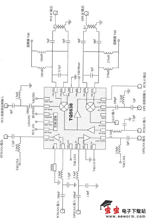
TQ5638是一个KPCS CDMA和GPS双模下变频器。IF范围为80MHz~230MHz,使用外部调谐。低噪声放大器(LNA)有一个可调节的3阶截点(IP3),使互调和交调的影响降低到最小。混频器是差分IF输出形式(对于GPS模式,可以是单端或者差分输出形式),具有极好的线性和低噪声系数。TQ5638采用4mm×4mm MLF-24封装。TQ5638符合TLA /EIA 98-C无线通信标准,适合KPCS CDMA和A-GPS应用。
TQ5638是一个KPCS CDMA和GPS双模下变频器。IF范围为80MHz~230MHz,使用外部调谐。低噪声放大器(LNA)有一个可调节的3阶截点(IP3),使互调和交调的影响降低到最小。混频器是差分IF输出形式(对于GPS模式,可以是单端或者差分输出形式),具有极好的线性和低噪声系数。TQ5638采用4mm×4mm MLF-24封装。TQ5638符合TLA /EIA 98-C无线通信标准,适合KPCS CDMA和A-GPS应用。