CC2420是直接扩频DSSS(Direct Sequence Spread Spectrum)收发器,符合IEEE 802.15.4以及EN 300440(欧洲)、CFR47 Part l5(美国)和ARIB STD—T一66 i日本)等标准。它适合在2.4 GHz IEEE 802.15.4系统、ZigBee系统、消费类电子产品、工业控制和PC外设等领域中应用。 主要技术特点如下: ·工作频率为2.4~2.4835 GHz: ·数据传输速率为250 Kb/s; ·O-QPSK调制方式; ·灵敏度为-94 dBm; ·工作电压为2.1~3.6 V: ·接收电流消耗为l9.7 mA,发射电流消耗为l7.4 mA; ·输出功率可编程,支持802.15.4 MAC硬件,4线SPl接口。
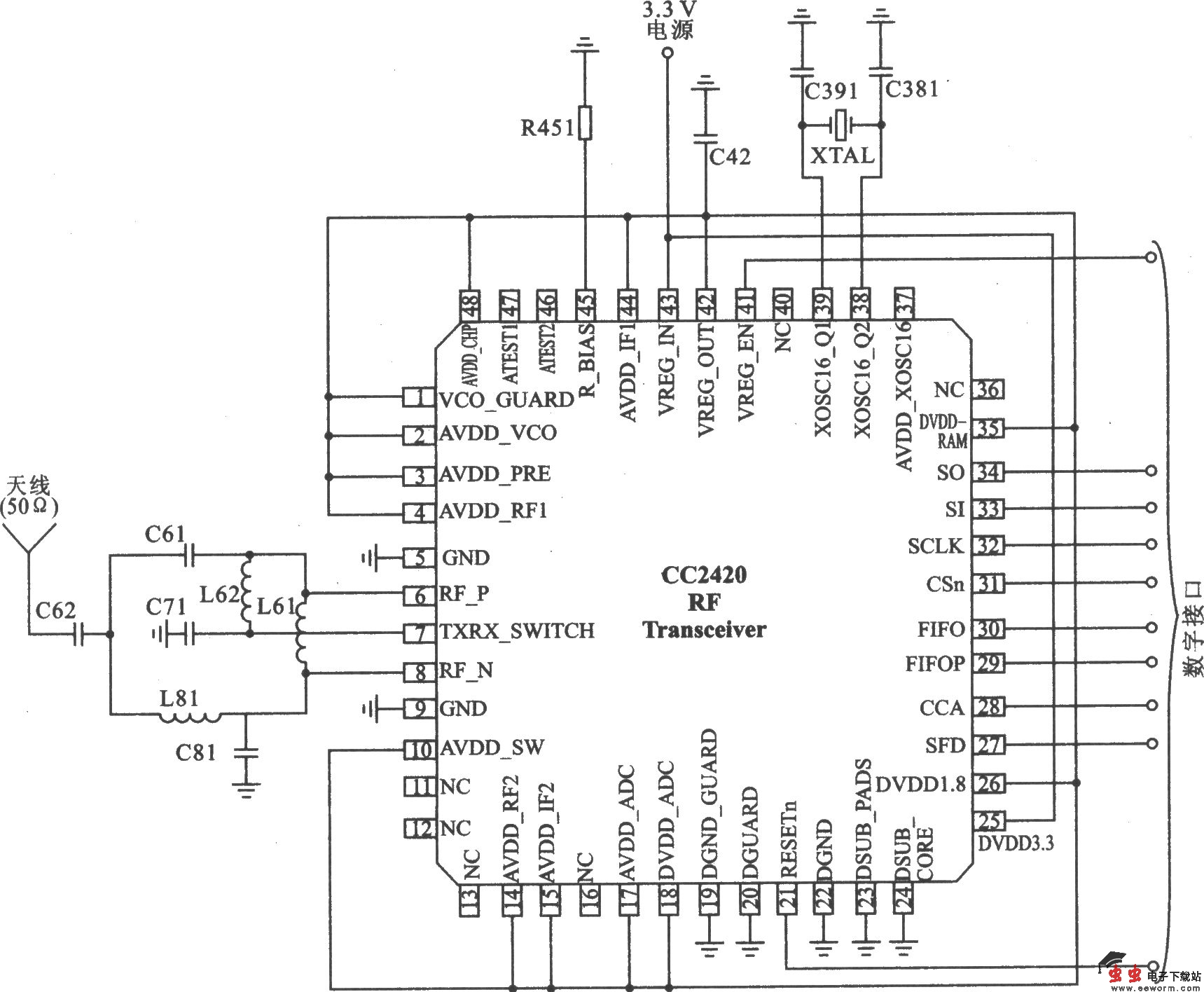
CC2420使用不平衡变压器单端输出典型应用电路
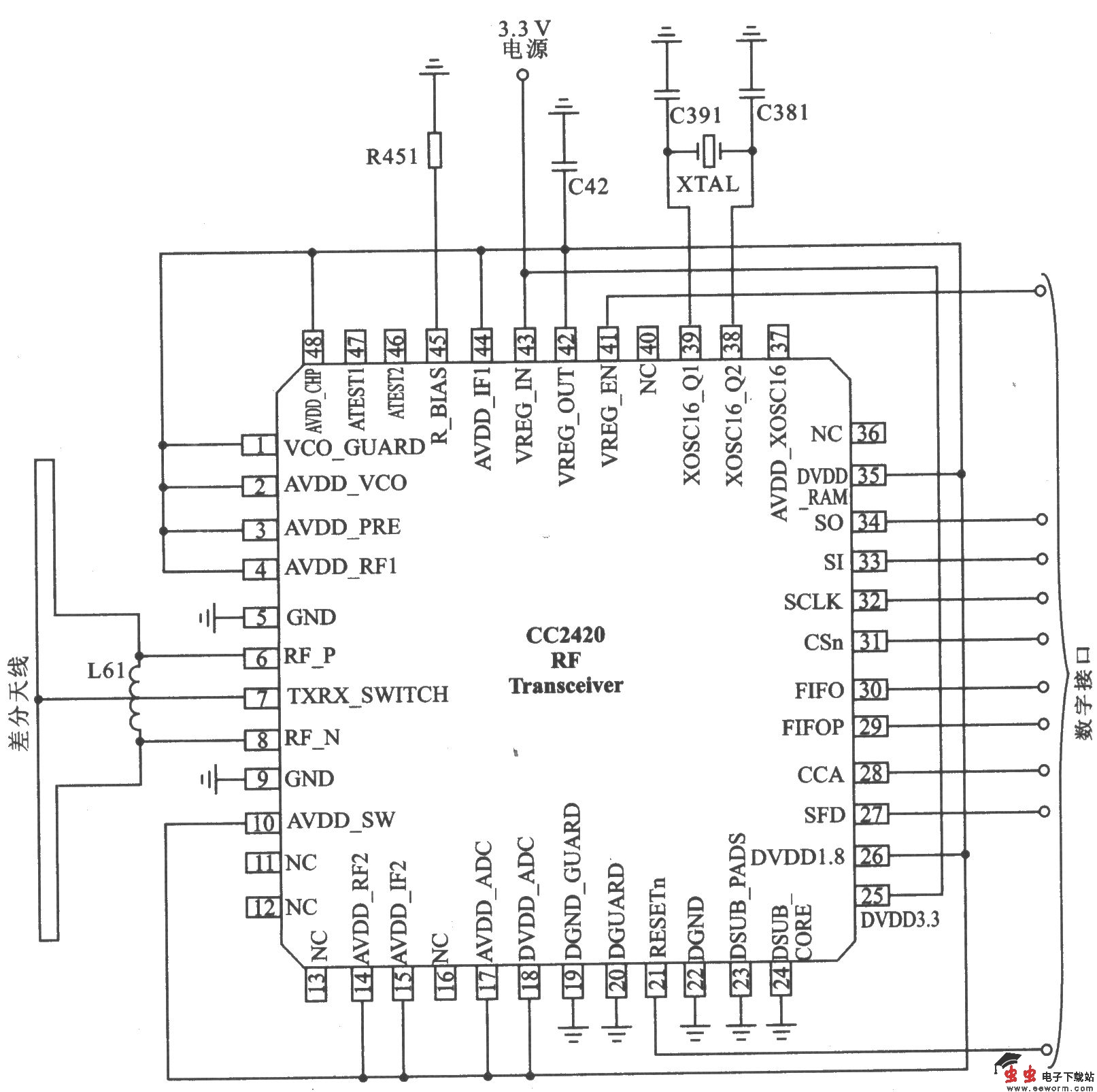
使用差分天线的典型应用电路 CC2420两种应用电路中的元器件参数
