
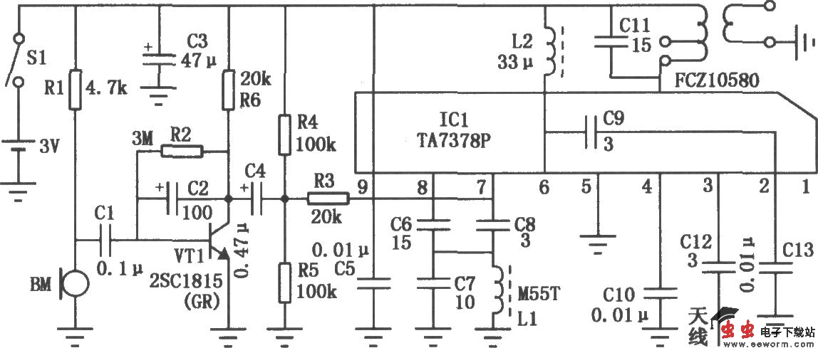
采用调频收音机集成块TA7378P制作调频无线话筒,外接元件很少、简单易制、工作稳定,特别适合无线电爱好者制作。如图为调频无线话筒的具体电路,ICl(TA7378P)内含RF放大器、混频器、缓冲放大、本地振荡电路以及偏置、稳压电路。本电路巧妙地将内部电路进行组合,利用本振电路和AFC(自动频率控制)所用的可变电容构成振荡电路,生成FM(调频)波。为了减少外部的影响,在振荡与混频之间加了一级缓冲放大器。最后由RF放大器放大,通过天线发射FM电波。

采用调频收音机集成块TA7378P制作调频无线话筒,外接元件很少、简单易制、工作稳定,特别适合无线电爱好者制作。如图为调频无线话筒的具体电路,ICl(TA7378P)内含RF放大器、混频器、缓冲放大、本地振荡电路以及偏置、稳压电路。本电路巧妙地将内部电路进行组合,利用本振电路和AFC(自动频率控制)所用的可变电容构成振荡电路,生成FM(调频)波。为了减少外部的影响,在振荡与混频之间加了一级缓冲放大器。最后由RF放大器放大,通过天线发射FM电波。