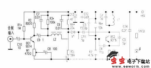
变容管调频无线发送器电路

📅 发布时间:2013-09-29 10:40 👁️ 浏览:1 🏷️ 标签: 变容管 发送器 调频无线 电路

●实验点评

本发送器制作简单,性能可靠,成本低。具体制作时,笔者所用电路板为高频损耗小的环氧板,调试好后,各线圈均采用优质高频蜡封,效果很好。5pF的电容可用双面敷铜板代替(按1pF=1平方毫米计算)。

 

四川工业学院电气协会肖卫东

 

觉得这篇文章有帮助吗?