
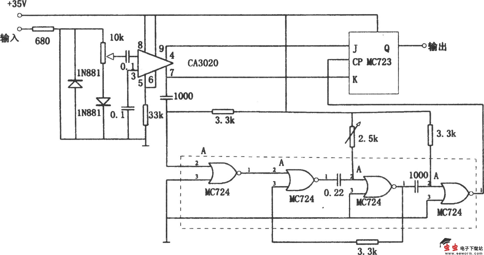
如图所示为数字式频移解调电路。该电路可以适用在1kHz到10kHz的频率范围,并能解调到1%的频偏。电路的输入级由宽频带放大器CA3020构成。它的差分输出加到J-K触发器的J-K输入端。门电路MC724构成单稳态多谐振荡器。单稳态多谐振荡器的定时周期等于中心频率的半个周期。输入信号经单稳态多谐振荡器延时后选通触发器。例如,以2920Hz表示符号,2750Hz表示空格,则中心频率为2835Hz,因此单稳态多谐振荡器的定时周期为175μs。当输入为2920Hz时,触发器选通正好J=1,K=0,故Q输出为“1”(表示符号);当输入为2750Hz时,触发器选通正好是J=0,K=1,故Q输出为“0”(表示空格)。该电路鉴别精度主要取决于单稳态多谐振荡器的定时精度。