MAX2310/MAX2312/MAX2314/MAX2316是为双频道、双模式和单模式N-CDMA和W-CDMA便携式电话系统设计的中频接收器。 主要技术特点如下: ·工作频率为40~300 MHz; ·可变增益放大器的增益控制范围大于110 dB; ·正交解调器; ·充电泵电流可编程; ·3线可编程接口; ·电源电压为2.7 V; ·最大工作电流为41.5 mA(CDMA模式),待机电流为l0 μA。
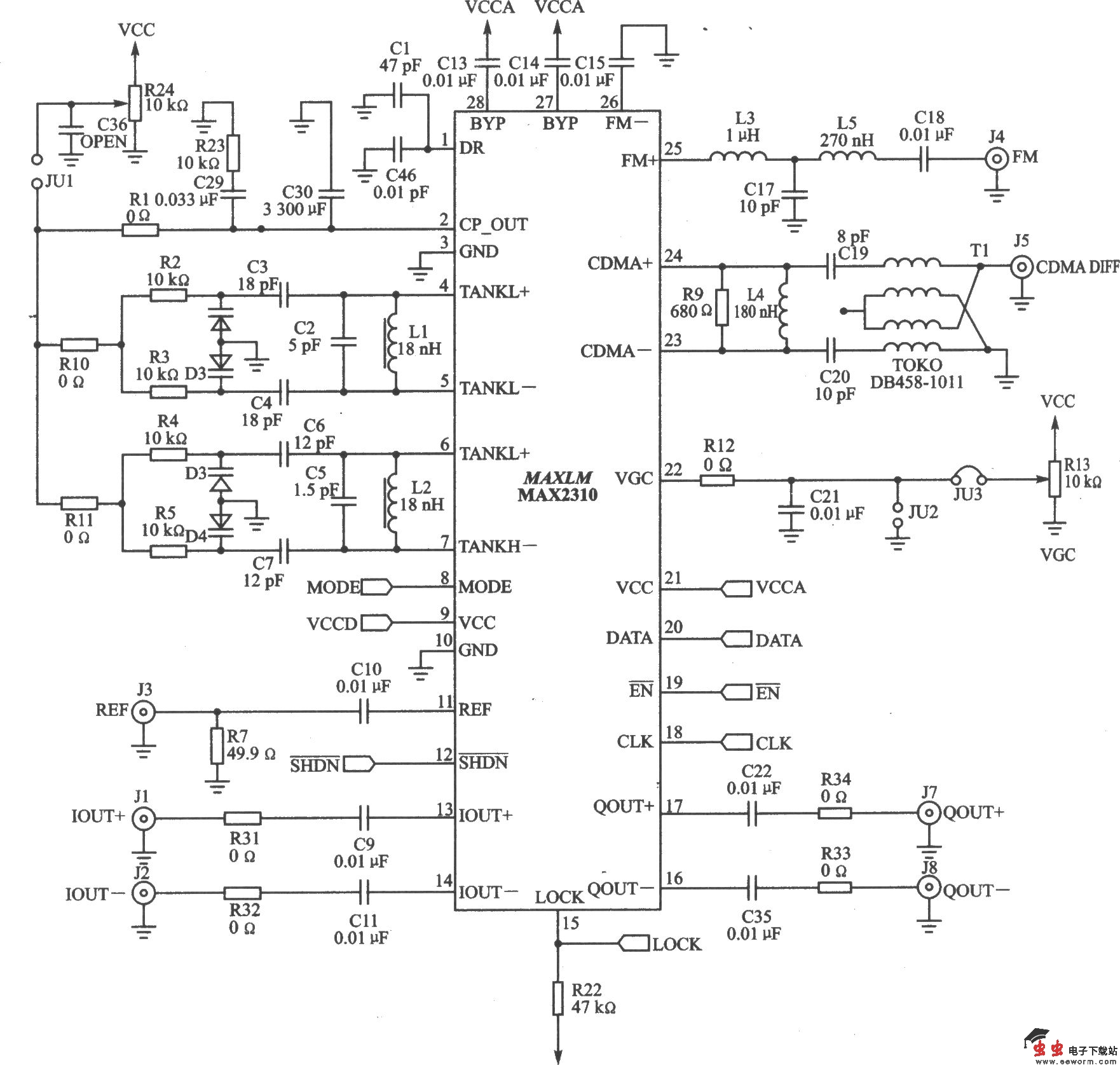
MAX2310的应用电路 MAX2310应用由路元器件参数


MAX2310/MAX2312/MAX2314/MAX2316是为双频道、双模式和单模式N-CDMA和W-CDMA便携式电话系统设计的中频接收器。 主要技术特点如下: ·工作频率为40~300 MHz; ·可变增益放大器的增益控制范围大于110 dB; ·正交解调器; ·充电泵电流可编程; ·3线可编程接口; ·电源电压为2.7 V; ·最大工作电流为41.5 mA(CDMA模式),待机电流为l0 μA。
MAX2310的应用电路 MAX2310应用由路元器件参数

