LM567作选频、调频和解调应用电路

📅 发布时间:2013-09-27 00:00 👁️ 浏览:2 🏷️ 标签: 567 LM 选频 调频

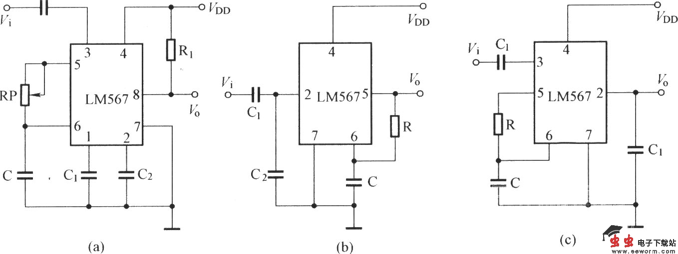
LM567作选频、调频和解调应用电路

(a)图是LM567的选频应用电路

(b)图是LM567的调频应用电路

(c)图是LM567的解调应用电路.

觉得这篇文章有帮助吗?