J1015-1型简易频闪光源是为配合普通照相机实现摄制物体运动轨迹的闪光照片而设计生产的。它既可供中学物理演示实验使用,也可供学生分组实验使用。频闪光源可提高对运动物体的观察效果,同时还是一种较精确的计时仪器,在中学物理实验教学中有广泛的用途。
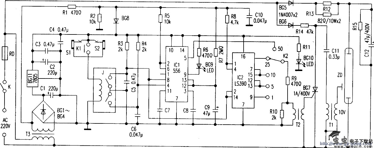
J1015-1型简易频闪光源的机内电路主要由时基发生器、高压脉冲产生电路、光脉冲电路、电源电路和控制电路五部分组成,电路原理图如附图所示。
l.时基发生器信号
经IC2双十分频器分别分频为25Hz、10Hz、5Hz和1Hz方波,由波段开关K2选择。再经分压器R9、RlO、隔离变压器T2,于交流电压过零时,形成尖脉冲输出,去触发可控硅BG7。
由于触发脉冲取自交流电频率50Hz的分频,故频率准确度较高。加之触发脉冲是在电流过零时产生的,故克服了一般设计中随机启动闪光时,闪光管有可能在交流正半周触发闪光。
不能瞬间熄灭,要等到正半周结束才能熄灭的现象。而且,由于闪光灯是同步提供电源。所以大功率电阻上耗散的功率也大为减小。
2.高压脉冲产生电路
当时基信号来时,触发可控硅BG7导通,储能电容C 11迅速放电,形成强电流脉冲,经变压器Tl产生10kV高压点火脉冲去点燃闪光管闪光。
Cll的充电时间常数要求小于2ms,否则C11上的充电电压达不到280~300V。
3.光脉冲电路
无触发脉冲时,C12充电储能;当触发脉冲到来时,触发极10kV高压引燃闪光管,C12通过氙灯迅速放电,产生强烈闪光。C12上电压迅逸下降到氙灯的维持电压之下,加上电源电压降至零和电阻R12、R13的作用,闪光灯截止熄灭。等待下一次闪光。
R15的作用是停电后释放C12的能量,保障维修安全,正常工作时无影响。
4.电源电路
采用变压器T3隔离,提供+5V稳定电源电压。
5.控制电路
为了提高抗干扰性,采用继电器隔离输入。ICl构成单稳电路,延时时间由时间常数R7xC9决定。当K1(或Sl、S2)闭合时,继电器J得电吸合,其常开触点闭合接地,输出0V。一路去触发单稳电路翻转延时2~3分钟,此时,LED不亮,2~3分钟后单稳态复原,LED发光,指示可再次启动频闪工作。
另一路接至IC2分频器,建立工作条件,将50Hz信号分频为各挡时基信号输出。当继电器J释放时,允许工作条件消失,IC2分频器不工作。无输出信号。J的常闭触点得电释放,输出+5V电压,允许ICl工作。将50Hz输入信号整形为方波输出。J失电此触点闭合,无输出信号。

J1015-1型简易频闪光源电路分析
觉得这篇文章有帮助吗?