一种由多谐振荡器组成的闪烁器电路

📅 发布时间:2013-09-25 06:55 👁️ 浏览:0 🏷️ 标签: 多谐振荡器 闪烁器 电路

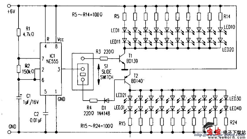
 下图所示的多谐振荡器组成的闪烁器电路,LED聚光器的接通时间约108ms,截止时间约105ms,振荡频率为5Hz。在BD140的基极上串有一只二极管,以增加正向电压,确保BD139导通时,BD140截止。选择的LED耗电流较低(20mA左右),但能正常闪亮。

觉得这篇文章有帮助吗?