TC620温度传感通风降温自

📅 发布时间:2013-08-18 19:30 👁️ 浏览:0 🏷️ 标签: 620 TC 温度传感 降温

TC620温度传感通风降温自动控制电路

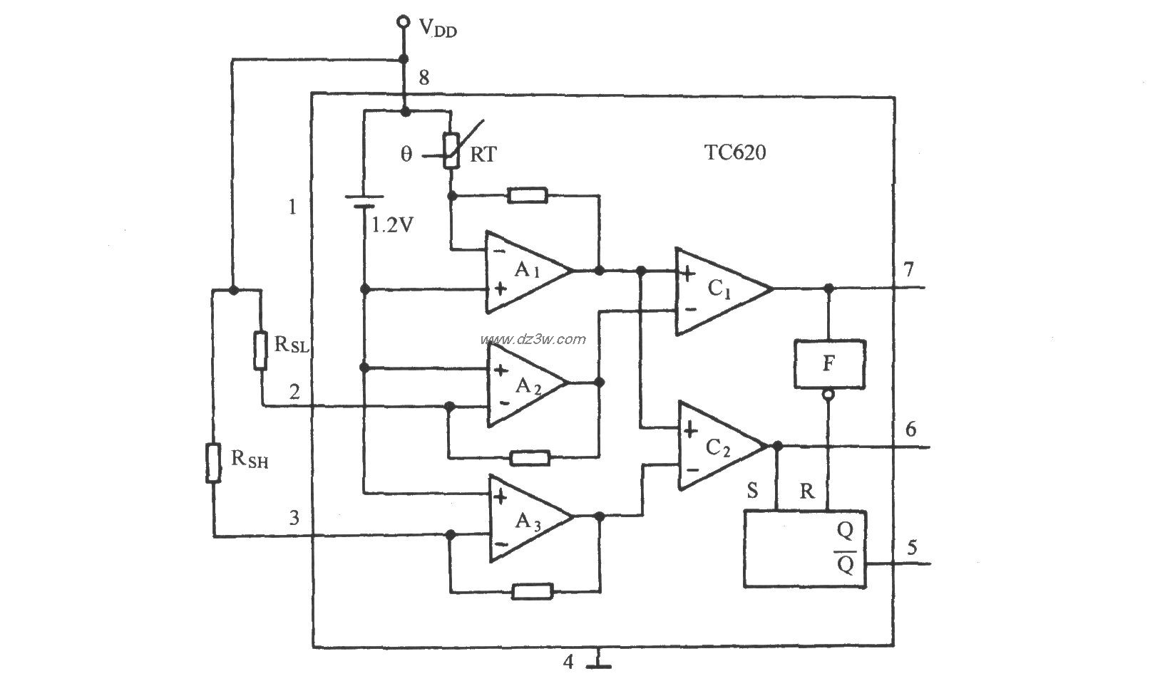
如图所示电路是使用TC620温控集成电路制作的风扇恒温自动控制电路。它包括TC620温控风扇电机电路、乐曲发声电路和音频功放电路等。TC620内含一个PTC热敏电阻温度传感器、微信号放大器、逻辑电平比较器和SR触发器等,下图是其功能框图。


 


觉得这篇文章有帮助吗?