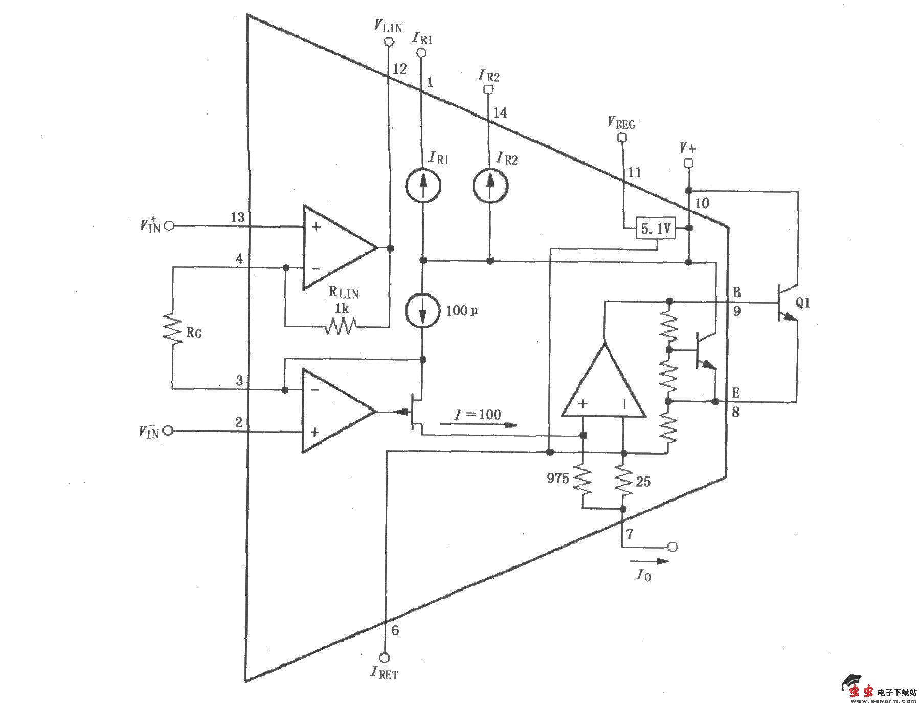
XTR112/114是单片4~20mA两线电流变送器,为高阻铂RTD传感器和电桥提供完整的电流激励,其片内集成了仪器放大器和电流输出电路。XTR112有两路250μA电流源,XTR114有两路100μA电流源,可用于激励RTD。通用线性化电路对RTD提供两级修正,实现典型的40:1线性化改进。仪器放大器可为一个宽范围的温度或压力测量设置增益。完整的电流发送器的总未调整误差很低,可用于许多无需调整的应用场合。XTR112/114有零输出电流漂移、步长漂移和非线性等特点,工作时的环路电源电压可低至7.5V,工作温度范围为工业级-40~ 85℃。其引脚排列如图所示。

内部框图如下图所示: