TSV型温度传感器典型应用电路

📅 发布时间:2013-10-03 12:40 👁️ 浏览:0 🏷️ 标签: TSV 温度传感器 典型 应用电路

TSV型温度传感器典型应用电路

TSV型温度传感器典型应用电路

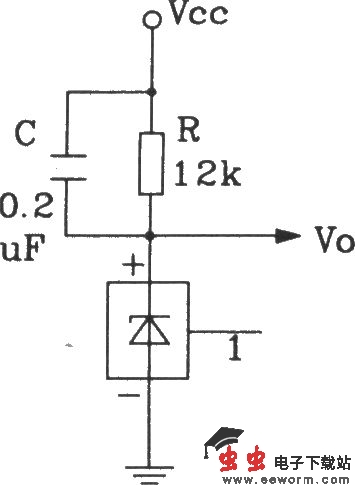
此电路输出电压Vo的温度灵敏度为10mV/℃,电阻R为限流电阻,野心家C用以改善电路的稳定性。当测试的位置与读数位置较远时,导线电阻上的压降将引入一定的测量误差。

觉得这篇文章有帮助吗?