
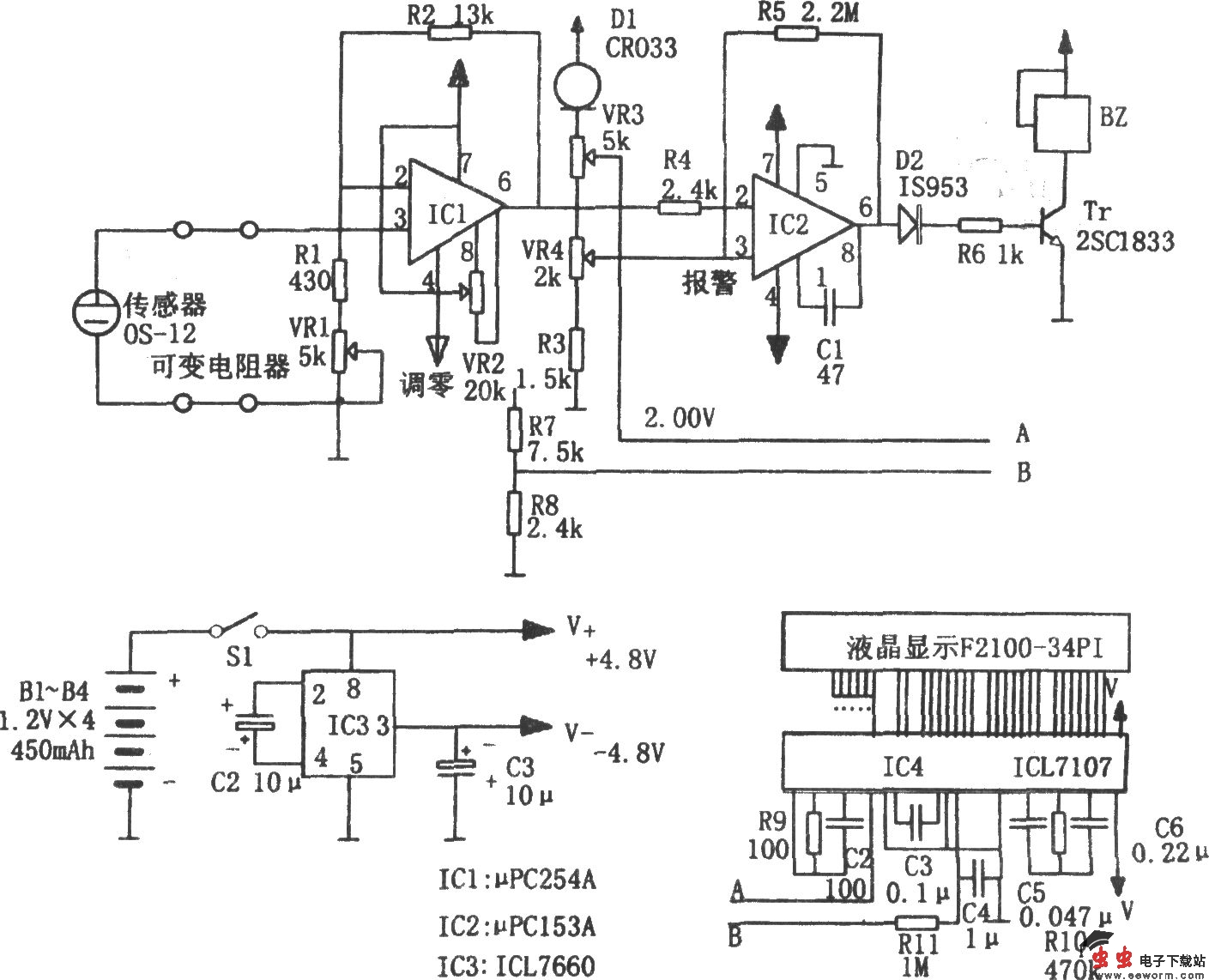
如图所示为便携式缺氧监控电路。该电路由氧传感器OS-12、直流放大器IC1、A/D变换器IC4、液晶显示器F2100-34PI、电压比较器IC2、正负电源变换器IC。等组成。
OS-12为伽伐尼电池式氧传感器,检测空气中的氧气可输出约50mV的信号,且其在0~100%的氧浓度范围内有线性输出,它的输出-输入A/D变换器能很精确地用数字显示出氧浓度。
IC1是直流放大器,可将传感器的输出信号放大8倍。放大后的信号经IC4(ICL7107型)A/D变换后直接驱动液晶显示器F2100—34PI,用数字显示氧浓度。ICL7107是3.5位单片A/D变换器,当和LED显示器组合使用时,消耗电流可降到1mA左右。
D1是恒流二极管,以作A/D变换器的基准电压。CR033是利用场效应管恒电流特性的元件,若提供330μA电流,其温度系数接近于零。
电压比较器IC2的基准电压从D1获得,用于检测18%以下氧的浓度,氧浓度低则报警。
IC3是从正电源到负电源的变换器,自身漏电流很小。
电源使用4只450mA的NiCd电池,可连续使用l00h。
该电路可以监控地下坑道和洞穴底部等工作场合的氧浓度,以防止缺氧发生事故