压电式高料位自动控制及报叫电路

📅 发布时间:2013-10-02 02:15 👁️ 浏览:0 🏷️ 标签: 压电式 自动控制 电路

压电式高料位自动控制及报叫电路

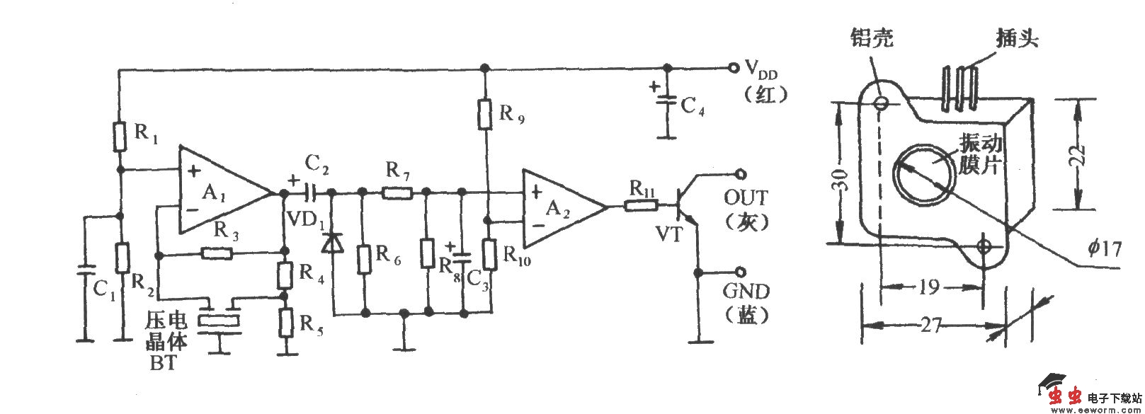
如图所示电路,它由压电式料位传感器、继电器控制机件电路、模拟发声电路和交流降压整流电路等组成。在料位升至设定的高料位位置时,电路能发出给定的模拟声,并同时切断送料设备的供电电源,使送料停止,确保运行安全。IC1是一种压电式料位传感集成电路,它由自激式振荡器、整流电路、电压比较电路和开路输出级等组成,下图所示为其内部电路:

压电式高料位自动控制及报叫电路

觉得这篇文章有帮助吗?