光照不足鸡鸣告戒电路

📅 发布时间:2013-10-02 02:00 👁️ 浏览:1 🏷️ 标签: 光照 电路

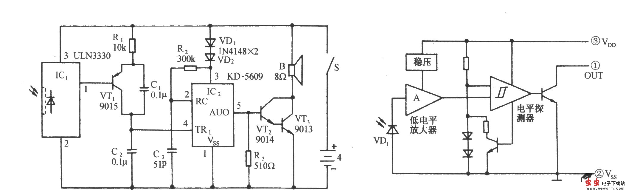
光照不足鸡鸣告戒电路

如图所示电路,它主要由ULN3330光电传感器、金鸡报晓发声电路和音频放大器组成。

觉得这篇文章有帮助吗?