光照不足自动灯亮伴鸟叫电路

📅 发布时间:2013-10-02 02:05 👁️ 浏览:0 🏷️ 标签: 光照 自动灯 电路

光照不足自动灯亮伴鸟叫电路

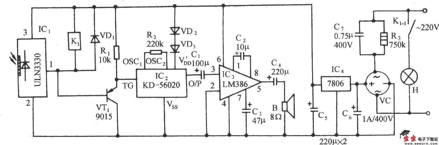
如图所示电路,它主要由光电传感集成电路ULN3300,继电控制照明灯电路和鸟叫发声电路及交流降压整流电路等组成。

觉得这篇文章有帮助吗?