用RD9481多普勒效应传感器的电动机自动启动电路

📅 发布时间:2013-10-02 01:45 👁️ 浏览:2 🏷️ 标签: 9481 RD 多普勒效应 传感器

用RD9481多普勒效应传感器的电动机自动启动电路

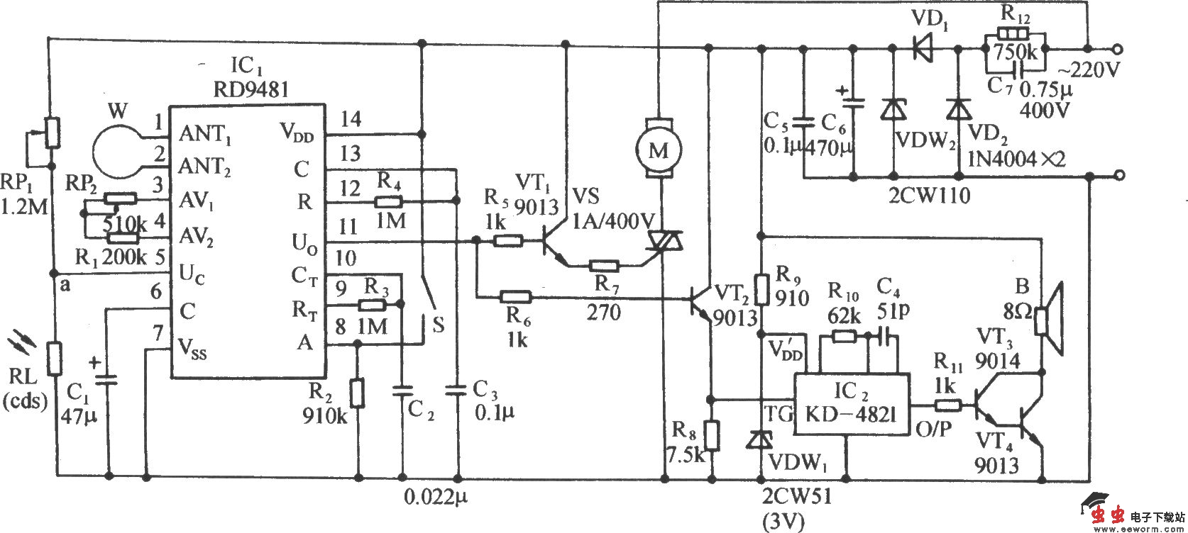
电路如图所示。它包括多普勒效应传感控制电路、可控硅控制电路、音乐发声和放,大电路、交流降压整流电路等。多普勒效应传感器集成电路RD9481是电路的核心器件,其内部功能框图如下图所示。

用RD9481多普勒效应传感器的电动机自动启动电路

觉得这篇文章有帮助吗?