基于SPI总线的高精度压力测试系统

📅 发布时间:2013-10-01 20:15 👁️ 浏览:2 🏷️ 标签: SPI 总线 压力 高精度

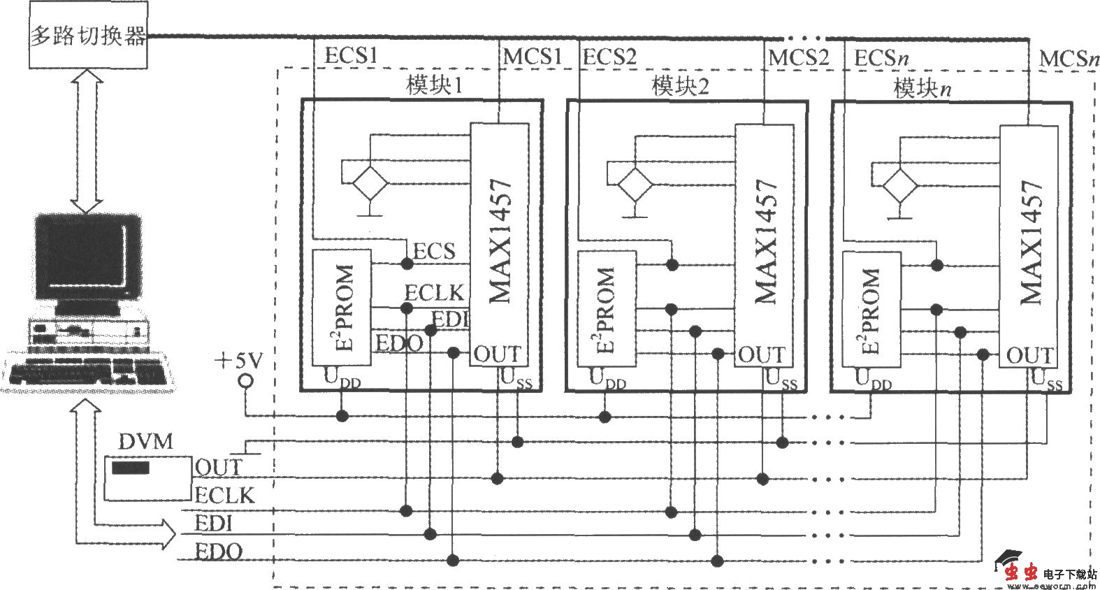
基于SPI总线的高精度压力测试系统(高精度集成压力信号调理器MAX1

使用MAX1457、27C64各一片,再配上压阻式压力传感器,即可构成一个压力测量模块。由n个压力测量模块与微机、数字电压表构成基于SPI总线的高精度压力测试系统,电路如图所示。它是由6条传输线组成的测试系统,包括两条电源线(UDD、USS)、一条模拟电压输出线(OUT,接数字电压表)、三条SPI接口线(ECLK、EDI和EDO)。另外,由多路切换器通过MCS、ECS线分别选择测量模块和只读存储器。

觉得这篇文章有帮助吗?