由线性输出集成磁场传感器AD22151构成的单极性模式下的温度补偿

📅 发布时间:2013-10-01 16:00 👁️ 浏览:0 🏷️ 标签: 22151 AD 线性 磁场传感器

由线性输出集成磁场传感器AD22151构成的单极性模式下的温度补偿

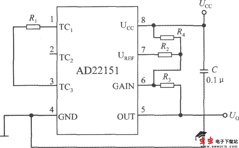
单极性模式下的温度补偿电路如图所示。其特点是将R1接在TC1端与TC3端之间,使磁场零点的电位不等于UCC/2,可对-2000×10-6/oC以下的高温度系数进行补偿。此时TC2端开路,由补偿电阻R1和内部电阻RB构成温度补偿系数分压器。单极性模式下R1的电阻值与温度补偿系数的关系曲线如下图所示。

由线性输出集成磁场传感器AD22151构成的单极性模式下的温度补偿 

觉得这篇文章有帮助吗?