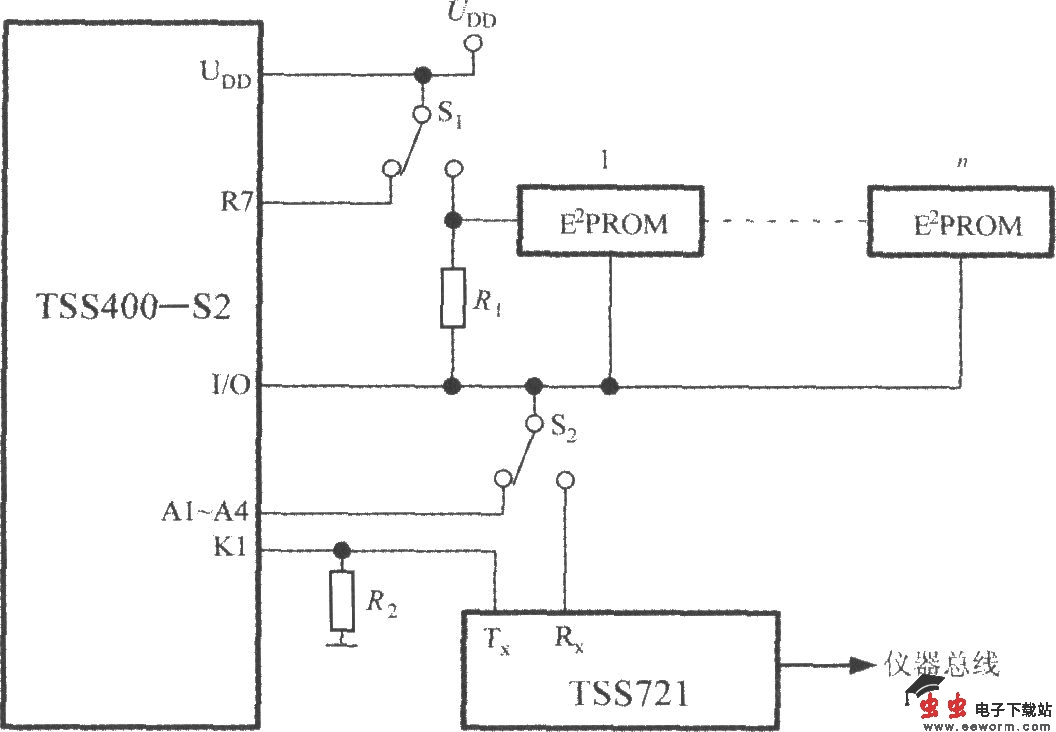
低功耗可编程传感器信号处理器TSS400-S2的总线结构布局图

📅 发布时间:2013-10-01 13:50 👁️ 浏览:1 🏷️ 标签: TSS 400 低功耗 可编程传感器

低功耗可编程传感器信号处理器TSS400-S2的总线结构布局图

TSS400-S2的总线系统允许在一个二线总线上进行单向通信。该总线可采用双绞线。在主机的请求下数据由从机传送到主机。当总线有效时,在从机上还可启动异步数据传送。TSS400-S2的总线结构布局如图所示。电路中使用了一片总线接口电路TSS721。利用ENBUS指令可完成从属模块的远程读数。

觉得这篇文章有帮助吗?