由5通道低功耗可编程传感器信号处理器AD7714和热电偶构成的测温

📅 发布时间:2013-10-01 13:40 👁️ 浏览:0 🏷️ 标签: 7714 AD 低功耗 可编程传感器

由5通道低功耗可编程传感器信号处理器AD7714和热电偶构成的测温

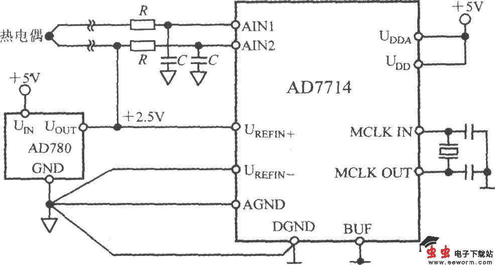
由AD7714和热电偶构成的测温电路如图所示。在此应用中,AD7714工作在缓冲模式,允许在前端接退耦电容,以便滤除热电偶引线上的噪声。在缓冲模式下,AD7714的共模范围较窄,为使热电偶的差分电压处于合适的共模电压范围之内,AD7714的AIN2输入端应被偏置到 2.5V基准电压上。

觉得这篇文章有帮助吗?