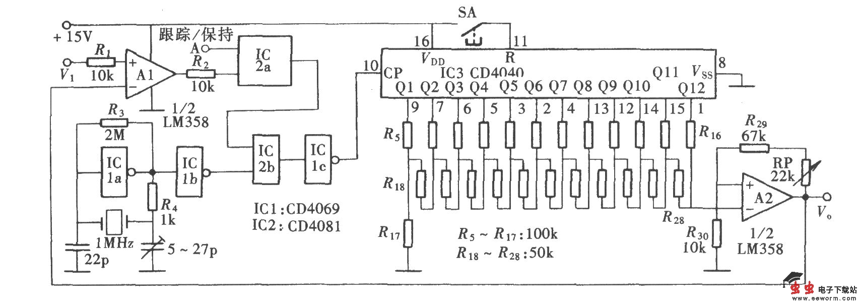
在日常生活中,我们常常需要知道一些物理量的最大值,如最大风速、最高水位、最高温度、最高压力等。这些物理量通常都是通过相关的传感器经过接收和变换后,传送到测量仪器进行测量并通过仪表显示出来的。而通过仪表所显示的数值,都是当时的测量数值,这个数值是随时变化的。如果我们想知道在某一期间内某一物理量的最大值,这就需要将其中的最大值保存下来。下面这个电路就是能将测量所得的最大数值保留下来的电路,它的名称为“计数式峰值保持电路”,其工作原理图如图所示。
在日常生活中,我们常常需要知道一些物理量的最大值,如最大风速、最高水位、最高温度、最高压力等。这些物理量通常都是通过相关的传感器经过接收和变换后,传送到测量仪器进行测量并通过仪表显示出来的。而通过仪表所显示的数值,都是当时的测量数值,这个数值是随时变化的。如果我们想知道在某一期间内某一物理量的最大值,这就需要将其中的最大值保存下来。下面这个电路就是能将测量所得的最大数值保留下来的电路,它的名称为“计数式峰值保持电路”,其工作原理图如图所示。