TC620温度传感自动加热恒温控制电路

📅 发布时间:2013-09-28 07:50 👁️ 浏览:6 🏷️ 标签: 620 TC 温度传感 加热

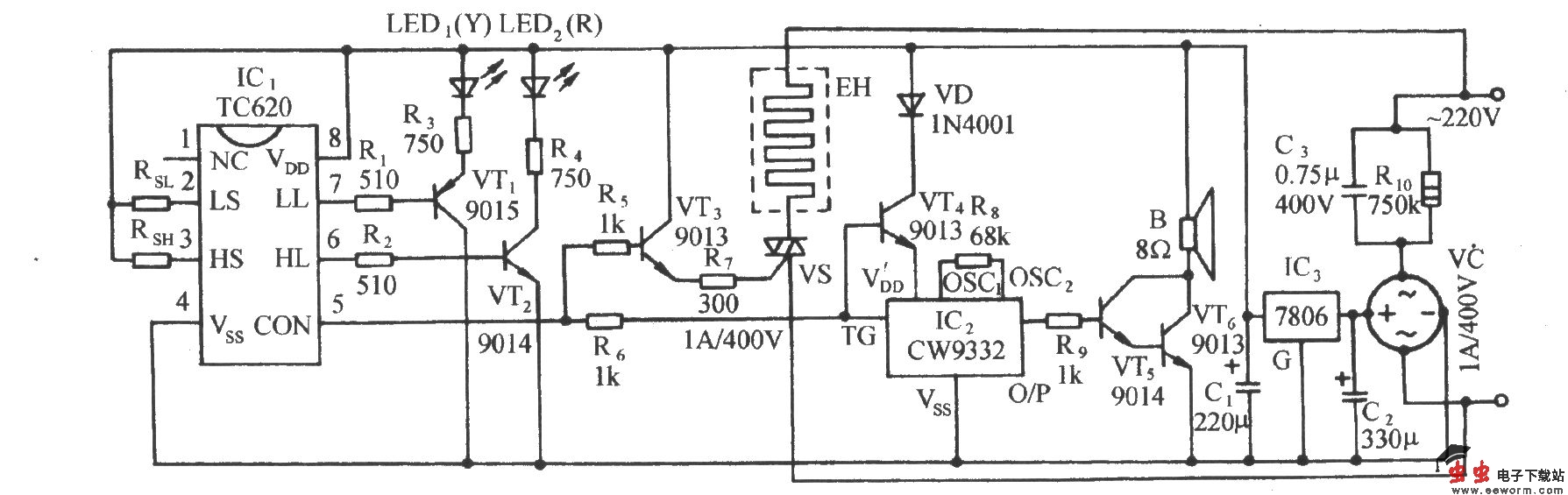
电路如图所示。它包括TC620温控电路,温度指示电路、可控硅控制加热电路、乐曲发声电路和交流降压整流电路等。

觉得这篇文章有帮助吗?