人体热电自动节能灯电路图

📅 发布时间:2013-09-27 18:05 👁️ 浏览:2 🏷️ 标签: 热电 自动 电路图 节能灯

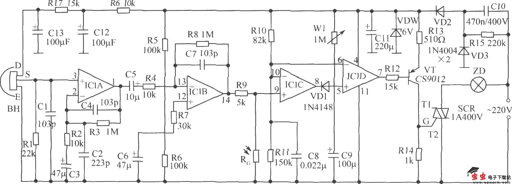
人体热电自动节能灯电路图

IC1为四运算放大器LM324,传感器BH为RS03,若选用其他类型的传感器时应有合适的放大器增益设计配套,但一定要选双元件型的。

觉得这篇文章有帮助吗?