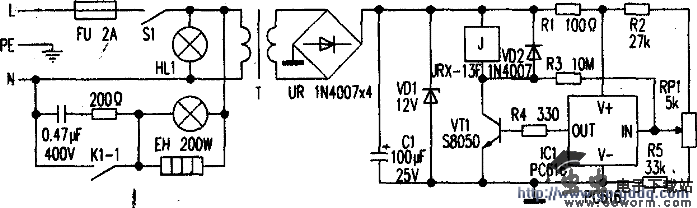
该型禽蛋孵化恒温箱采用温度传感器集成电路(PC616),温度调整范围在10~60℃,电路简单使用方便。现结合电路图(附后)简述其工作原理及
工作原理
接通电源,闭合电源开关S1,变压器T次级输出约12V交流电,经整流桥UR整流、电容C1滤波、稳压二极管VD1稳压后为继电器供电。同时该直流电源经电阻R1限流后为温度控制电路供电。
电阻R2、电位器RP1,电阻R5组成分压电路将温度信号转换为电压信号。改变电位器RP1即可调节恒温箱设定温度。刚接通电源时,由于恒温箱内温度低于设定温度,温度传感器集成块IC1的OUT端输出高电平,三极管VT1导通。继电器J受电吸合,常开接点K1-1闭合,电加热管EH受电发热加温。随着恒温箱内的温度缓慢上升达到设定温度时,IC1的OUT端输出低电平,VT1截止。J失电释放,K1-1断开EH停止加热。恒温箱内温度下降,IC1 OUT端输出高电平,EH重新受电加热,箱内温度上升达到设定温度时,IC1OUT端输出低电平,如此循环,使恒温箱内的温度保持在设定的孵化恒温温度。

禽蛋孵化恒温箱工作原理分析
觉得这篇文章有帮助吗?