⭐ 欢迎来到虫虫下载站!
|
📦 资源下载
📁 资源专辑
ℹ️ 关于我们
⭐ 虫虫下载站
🔐
登录
📝
注册
虫虫下载站
专业电子工程师资源平台
📤 上传资源
🏠 首页
📦 资源下载
📁 资源专辑
🔧 热门软件
⭐ 精品资源
🎓 基础知识
📐 电路图
📚 电子书
🔢 在线计算器
🔍 代码搜索
🏠 首页
›
电路图
›
检测电路
›
水位检测遥测电路
水位检测遥测电路
📅 发布时间:
2013-08-18 13:00
👁️ 浏览:
0
🏷️ 标签:
水位检测
遥测
电路
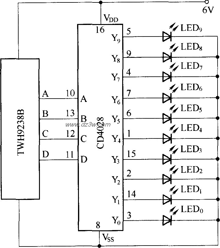
水箱水位的遥测是通过水位检测电极将水位的变化通过数字电路进行数字编码,通过无线电发射电路将编码向外发送。在接收端通过无线电接收电路将接收到的信号进行解调后,通过译码电路将编码还原并经显示电路将译码结果进行显示。水位检测编码与无线电发射电路;
无线电接收译码与显示电路:
觉得这篇文章有帮助吗?
👍 来顶一下 (
16
)
🔐 用户登录
×
加载中...
加载登录表单中...
🎁
免费注册送10积分
×
加载中...
加载注册表单中...
🔑 找回密码
×
加载中...
加载表单中...
🔐
需要登录
×
🔒
登录后即可使用!
🎁
新用户注册立即送10积分
积分可用于下载资源,免费获取优质技术资料
🚪
退出登录
×
👋
确认要退出登录吗?
退出后需要重新登录才能下载资源