沼气泄漏检测报警器(CD4069)

📅 发布时间:2013-10-08 05:30 👁️ 浏览:2 🏷️ 标签: 4069 CD 泄漏检测 报警

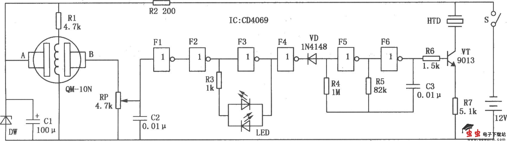
本电路图所用到的元器件:

CCD4069 QM-10N 9013

沼气泄漏检测报警器电路如图所示。CD4069为六反相器集成电路。QM-10N为气敏检测传感器件,喟于检测气体有无泄漏。电阻R2、电容Cl及稳压管DW组成简单稳压电路,为气敏传感器提供稳定的6V工作电压。非门F5、F6与电阻R5及电容C3共同组成音频振荡器,控制开关三极管的通断,从而驱动压电陶瓷片HTD发声。

觉得这篇文章有帮助吗?