
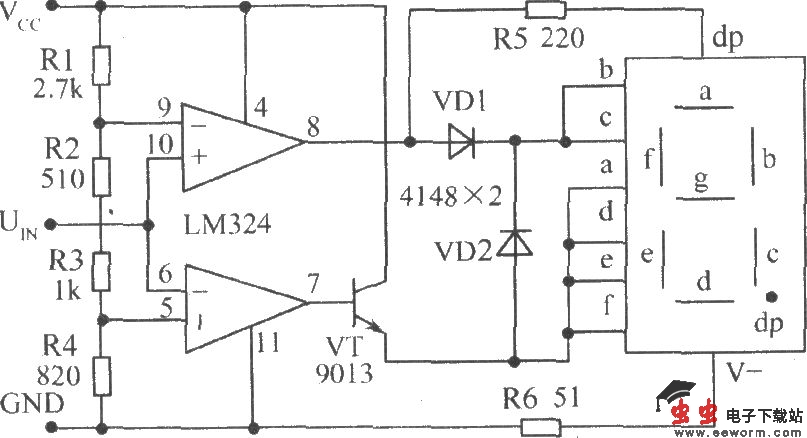
如图所示为通过电阻R1~R4设置不同的高、低电子检测阈值的电平检测电路。阈值电压可由分压公式算得,按图示R1~R4取值时,9脚高电平阈值为2.3V,5脚低电平阈值为0.8V。当UIN≤0.8V时7脚输出高电平,VT导通,显示0;UIN≥2.3V时8脚输出高电平,显示1,小数点dp发光;当UIN输入时钟脉冲时,显示“带点”的零;当UIN处于0.8V~2.3V之间时,7、8脚均输出低电平,数码管任何笔段均不发光(无显示)。

如图所示为通过电阻R1~R4设置不同的高、低电子检测阈值的电平检测电路。阈值电压可由分压公式算得,按图示R1~R4取值时,9脚高电平阈值为2.3V,5脚低电平阈值为0.8V。当UIN≤0.8V时7脚输出高电平,VT导通,显示0;UIN≥2.3V时8脚输出高电平,显示1,小数点dp发光;当UIN输入时钟脉冲时,显示“带点”的零;当UIN处于0.8V~2.3V之间时,7、8脚均输出低电平,数码管任何笔段均不发光(无显示)。