
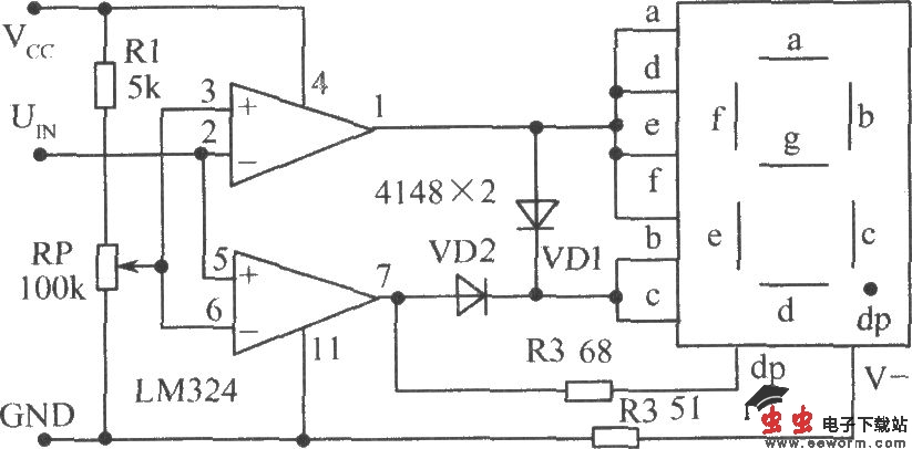
如图所示为使用电压比较器LM324组成的测试电路。其特点是便于检测阈值电平的调整,可测试DTL、TTL、CMOS等多种逻辑电平。由电压比较器的原理可知:当同相输入端(正端)电压高于反相输入端(负端)电压时,比较器输出高电平;反之,则输出低电平。RP为比较电压调整电位器,当UIN高于设置电压时,7脚输出高电平,显示1,同时小数点dp发光;UIN低于设置电压时,1脚输出高电平显示0,但小数点不亮;当检测到高、低变化的时钟脉冲时,若频率很低,可见0、1交替显示。频率较高时,0、1变化非常快,所以只见显示为0,同时小数点dp发光,这种“带点的零”即可表示检测的是时钟脉冲。