
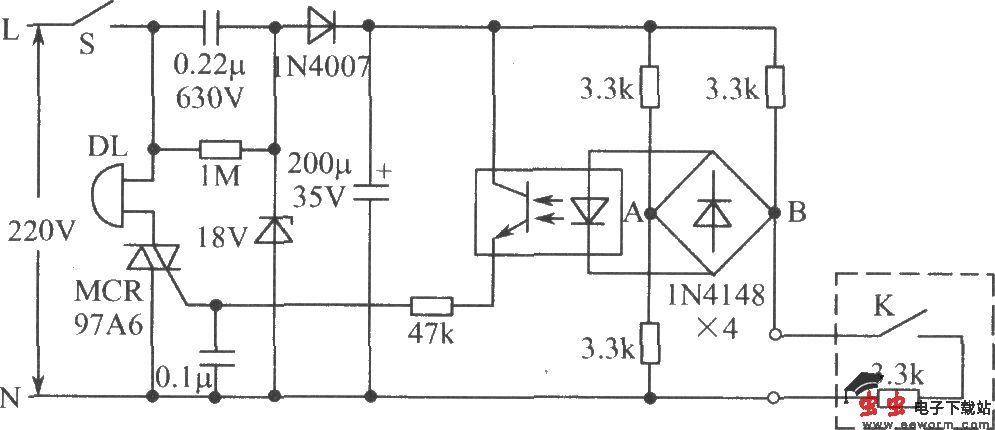
如图所示为杂物间被撬报警器电路。图中检测电路采用电阻桥,杂物间门开关采用磁控开关,门关接通,门开断开,杂物间门开关与电桥的一个电阻构成电桥的一臂,安装在杂物间内。这样,若门被撬开,则磁控开关断开;又若外线被短接或者断路,无论哪种情况,都会使桥路失去平衡,A、B两端电压经整流桥的1N4148使光耦工作,从而使双向晶闸管导通,电铃发出报警信号。报警器电源电压采用电容降压、半波整流、18V稳压管稳压后得到。门开关可以用常开型的磁控开关,也可用其他微动开关或微型按钮代用。安装时,一桥臂电阻必须和开关装在一起。不需要报警时要关掉电源,不然自己开杂物间门也会报警。