
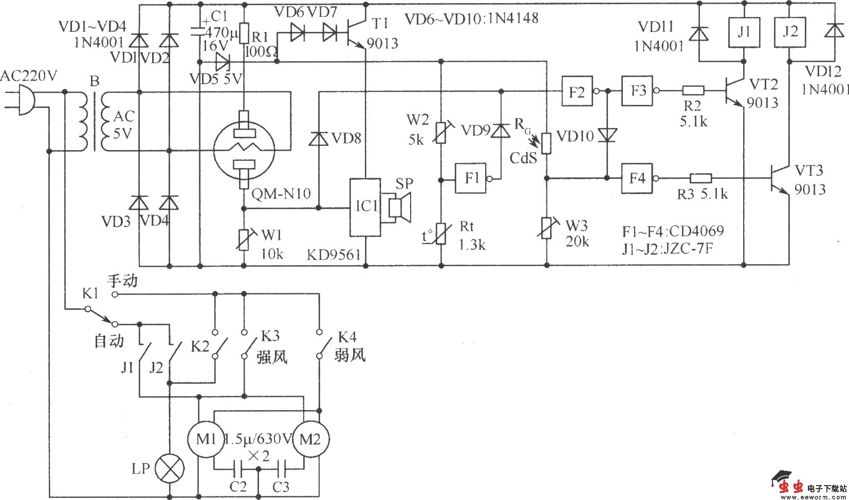
工作原理: 图中气敏传感器和W1组成燃气检测电路,电源变压器输出的交流5V电压给气敏传感器加热丝加热。反相器F1、W2、热敏电阻Rt组成温度检测电路。两路检测电路输出的高电位信号分别经隔离二极管VD8、VD9控制由F2、F3、R2、VT2、J1组成的电机控制电路。光敏电阻CdS、W3、F4、R3、VT3、J2等组成照明控制电路;IC1为音乐报警电路,由燃气检测电路控制。
元器件选择IC1选用KD9561集成电路;F1~F4选用CD4069集成电路。VT1~VT3均选用9013三极管。光敏电阻选用CdS光敏电阻;热敏电阻选用4只330Ω热敏电阻串联。气敏传感器选用QM-N10。其他元器件选用如图所示。