该报警器把检测与报警部分分离,一个报警器可以带有多个检测头,检测与报警部分利用无线电波进行通信。它分为无线报警器接收部分与无线报警器检测发射部分。无线报警器接收部分主要由315MHz无线数据接收模块、解码集成电路PT2272-M4、单稳态电路和音频发生器组成。电路如下图所示。

无线报警器检测发射部分的检测电路很多。
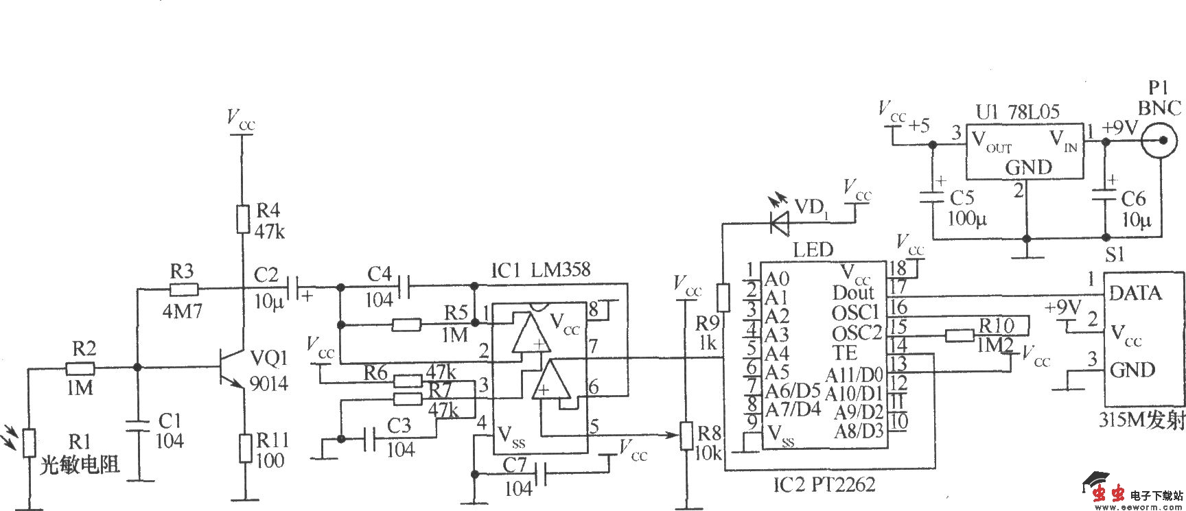
(1)采用光敏电阻组成的发射电路:

(2)磁感应发射电路:

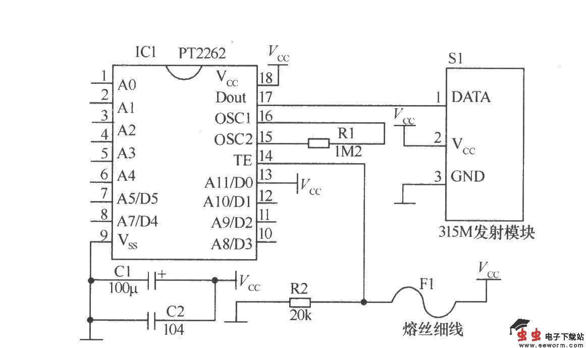
(3)熔丝/细线发射电路:

自制该无线报警电路完全可以使用万能电路板直接焊接,免去制作印制电路板的麻烦;电路连接好之后检查一遍没有错误就可以通电测试了。先接通接收部分的电源,在接通其中一种发射部分的电源,人为地令检测发射部分发射报警信号,如果报警器接收端有报警音,说明接收部分及该检测电路发射部分电路工作正常。该检测发射部分调试好后再调试另外两个检测发射部分电路,全部调试完成后就可以安装到适当的地方进行使用了。